中空旋转平台_定位准确
中空旋转平台
1.工作物可直接锁固
旋转盘面可直接锁固工作物,提升工件装载之方便性。
2.配线方便
此旋转平台为中空式设计,无论是配线或配管均方便。
3.高精度
定位精度小于1arcmin重复精度可达?5 arcsec。
4.运转动作平稳
盘面转动平稳、顺畅,且定位快速
5.适用各种马达
中空旋转平台可采用各种厂牌之伺服马达或步进马达驱动。
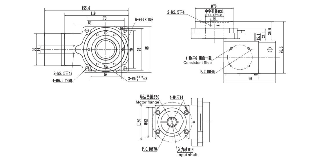
公司在售的高精密中空旋转平台法兰尺寸主要为60mm、85mm、130mm、200mm,大口径中心孔穿线更便利,轴承与转台一体化设计使得刚性更强,高转矩齿轮支持更大负载,转台弧秒级精度,大减速比,可正装、侧装与倒装,轻松搭配各厂家步进马达或伺服。
中空轴旋转平台也被称之为中空旋转平台,具备特有的中空轴结构可供线、管等连接部件隐藏安装,高刚性高减速比使其具高负载能力,速度与精度的结合可取代DD马达与凸轮分割器。

中空旋转平台_定位准确
中空旋转平台选型:产品选型先从本身的实际需求开始。
1.负载类型:圆盘,长杆,长圆柱等
2.负载的总重量:5KG,10KG,50KG等等
3.负载的工作半径:工作半径是指以旋转平台为中心工作的大范围。
4.旋转角度和相应时间:旋转90?,180?,360?等角度需要的时间(不含中间停顿时间)
5.转动惯量的计算,电机大小的选型。
6.另外,还需要考虑到安装方式,是否频繁正反转等情况,这些会影响到产品的使用寿命。
品牌:巴普曼
型号:BPHR85

