中空旋转平台巴普曼专业生产
产品特征:
1、一体型产品
为组合中空旋转平台与伺服马达的产品,平台内部为减速比构造,可实现高输出驱动。
2、短时间定位
可在短时间内实现惯性负载的定位。
3、无齿隙的高精度定位
无齿隙,螺旋斜齿,研磨机齿轮;齿轮模数大实现高扭矩,定位精度正负0.5arc-min,重复定位精度正负5arc-sec。
4、减少设计时间、缩短交期
输出平台可直接安装设备的工作台或机械手臂。与使用皮带、皮带轮等机构零件时比较,可减少机构设计,零件调配、皮带张力调整等时间及成本节省设备设计时间,有助于缩短交期。
5、大口径中空输出平台节省配线与配管
大口径中空孔(贯穿)可利用在环绕复杂的配线管上,可简化设备设计。
6、高输出高刚性
Standard Type的输出平台轴承使用径、轴向轴承,实现了高载重、高刚性。
7、拥有「原点检知器套件」的选购配件
由于原点设定所需的零件齐全,因此可节省安装检知器的设计、制作、零件调配时间。
8、搭配方便
可任意搭配任何品牌的伺服马达或步进马达。

中空旋转平台巴普曼专业生产
选型步骤
1.根据实际安装要求及精度要求,选择其中的一种型号
2.计算负载惯量,并根据速度,计算加速度扭矩,参考参数表格中的“额定输出扭矩”栏。选定满足扭矩要求的规格大小
3.根据负载总重量,参考参数表格中“参考承重”栏,结合扭矩要求,选定合适规格大小
4.根据旋转平台规格型号大小选择电机
5.根据负载惯量及电机转子惯量,计算满足惯量匹配所需的小减速比
6.根据加速扭矩及电机扭矩,计算满足扭矩要求的小减速比
7.根据实际速度要求及电机额定转速,计算满足速度要求的大减速比
8.根据所计算的三个减速比,依参数表减速比表格,选择合适的减速比
9.根据需要选择回缘式转盘还是凸台式转盘,至此选型结束
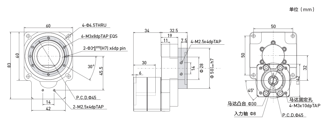
品牌:巴普曼
型号:BPHN060

