DAQM-1303 采用标准 ModbusTCP 协议,支持多种组态软件、PLC 系统。用于各种开关量信号采集。产品工作电压 DC9V-30V,标准导轨安装,通讯口及输入通道全部使用光电隔离,隔离电压达2500V,同时通讯口有防静电防浪涌设计,以太网接口采用 10/100Mbps 自适应兼容各种 PLC、触摸屏及组态系统。
工作电压DC9V-DC30V,模块内含电源反接保护
功耗<2W
以太网
接口形式插拔端子式
协议类型ModbusTCP ,TCPServer
安全防护与其它回路隔离电压 2500V,可承受 500W、1000us 雷击
传输距离<100M,可用交换机扩展
通讯速率10/100Mbps 自适应
RS485(选配)
协议ModbusRTU
数据格式支持 8 位数据、1 位停止位、无/奇/偶校验三种数据格式
波 特 率1200bps,2400bps,4800bps,9600bps,19200 bps,38400bps,57600bps,115200bps
保护等级ESD 2KV
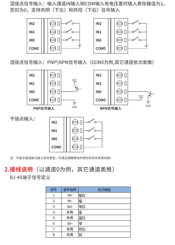
输入通道
输入方式NPN 信号,PNP 信号,干接点,湿接点,均支持
安全防护与其它回路隔离电压 2500V,可承受 500W、1000us 雷击
通 道 数16 通道
采 样 率100Hz
适用范围基于以太网标准信号采集系统





业务咨询:932174181 媒体合作:2279387437 24小时服务热线:15136468001 亚游会官网 - 全面、科学的机械行业免费发布信息网站 Copyright 2017 PGJXO.COM 豫ICP备12019803号