电容器纸耐电压击穿强度检测机主要由:升压系统(高压变压器)、测量系统、A/D转换器、放电系统、电极、油箱、电极定位架、计算机数据处理系统、软件等组成
计算机---A/D转换器---测量控制系统---调压装置----升压变压器-----试样
高压变压器主要产生试样所需的直流电压,
调压器用于调节升压变压器输入端电压以产生高压所需的输入电压,
电压测量主要是从高压变压器测量端测量,高压变压器测量端和高压端是线性的,
放电系统在试验做完以后自动放电,以免产生放电对人身的危害;
电容器纸耐电压击穿强度检测机 ; 在强电场作用下,固体电介质丧失电绝缘能力而由绝缘状态突变为良导电状态。导致击穿的最低临界电压称为击穿电压,在均匀电场中,击穿电压与固体电介质厚度之比称为击穿电场强度,它反映固体电介质自身的耐电强度。
不均匀电场中,击穿电压与击穿处固体电介质厚度之比称为平均击穿场强,它低于均匀电场中固体电介质的介电强度。不同电介质在相同温度下,其击穿场强不同。当电容器介质和两极板的距离d一定后,由U1-U2=Ed知,击穿场强决定了击穿电压。
击穿电压也是评定绝缘油(包括变压器油、电容器油、电缆油等)电气性能的一项指标,可用来判断绝缘油含水和其他悬浮物污染的程度,以及对注入设备前油品干燥和过滤程度的检验。
对清净干燥的油施加一个逐渐升高的电压时,在电压的负极端会发射电子,当电子具有足够能量时,可使油分子微化离解,于是整个离解过程随电压升高而加强,当达到某一个电压后,会产生大量传导电流而形成电弧,这种现象被称为击穿,此时的电压被称为击穿电压。若油中有水或固体物存在时,则会使击穿电压变小,这是由于水和固体物的导电性均比油大之缘故。运行油中的击穿电压低是变压器工作危险的信号。
对于变压器油国内外标准,规定的击穿电压一般在40-50 kV,高的达60kV甚至更多。
常规型号:
BDJC-10KV(1万伏)主要用于薄膜材料,丙烯薄膜聚乙烯薄膜.聚酯薄膜,流延聚丙烯薄膜,一般厚度为1-3mm
BDJC-30KV(3万伏)主要适用于橡胶,绝缘漆漆膜,聚氨酯,硫化橡胶等推荐可测厚度2-3mm
BDJC-50KV(5万伏)主要用于电缆纸,电容器纸,云母,陶瓷,推荐可测厚度为2-3mm
BDJC-100KV(10万伏)适用于玻璃,层压材料,橡胶,树脂,推荐可测厚度为2-5mm
BDJC-150KV(15万伏) 适用于塑料、橡胶、层压材料、薄膜、树脂、云母、陶瓷、玻璃、绝缘漆等绝缘材料,推荐可测厚度为1-6mm
主要配置:(采用国内知名或进口配件)
1、 试验主机一台
2、10万伏电压击穿试验仪高压发生器一台
3、全自动微电脑电压调压装置一套(串口方式)
4、步进电机一台
5、控制系统一套
6、电压及电流采集模块一套
7、过流保护装置一套
8、 试验用电极 ¢25mm两个 ¢75mm一个(可根据材料定制)
9、 试验用油盒一只:材质为有机玻璃
10、放电棒一支(使用方法:试验结束,电机归位后关掉电源开关,拿出放电棒,拉直伸缩杆,将接地夹另一头插入放电帮金属探头插孔中,然后将接地夹夹到仪器接地端上,手握绝缘手柄,打开试验箱玻璃门,用金属探头接触高压头即变压器端。 注意:在每次试验完成后拿出样品前都要事先完全放电,在放电时,在放电点接触停留时间超过2秒。)
11、电压击穿计算机测控软件一套
12、计算机一台
13、彩色喷墨打印机一台
14、国家一级计量鉴定质检证书一份
15、产品使用说明书一份
16、数据线一套
17、合格证一份
电流击穿
定义
电流击穿是因超出器件电流承受能力,导致导体结构过热或烧毁的现象。
典型场景
过载烧毁:MOS管长期超负荷工作,多晶硅引线熔断。
瞬时峰值电流:电感续流或短路时电流骤增,引发电极烧结。
特点
伴随明显热损伤痕迹(如变色、爆裂)。
通常不可逆,需更换器件。
结构原理及性能特点
北京北广生产的采用立式箱体结构,极大的节省试验室内占地空间,地脚采用滑轮结构,方便移动和摆放,避免同类厂家生产的卧式设备,安放时需要另配安装台的情况,占地空间大,移动不方便等缺点。本产品采用直流伺服电机加载减速机构,保证了最新标准里面关于极慢速试验和极快速试验的最新要求,保证用户可以自由选择升压速率。
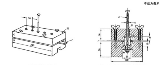
电极和试样
金属电极应始终保持光滑、清洁和无缺陷。
注1:当对薄试样进行试验时,电极的维护格外重要。为了在击穿时尽量减小电极损伤,优先采用不锈钢电极。
接到电极上的导线即不应使得电极倾斜或其他移动或使得试样上压力变化,也不应使得试样周围的电场分布受到显著影响。
注2:试验非常薄的薄膜(例如:<;μm厚)时,这些材料的产品标准应规定所用的电极、操作的具体程序和试样的制备方法。
九级安全防护措施:
(1)超压保护
(2)试验过流保护
(3)试验短路保护
(4)安全门开启保护
(5)软件误操作保护
(6)零电压复位保护
(7)试验结束放电保护
(8)独立保护接地
(9)试验完成后电磁放电
试验软件:
1、本仪器在试验过程中可对升压击穿过程绘制实时曲线,每次试验的升压曲线都由不同颜色构成,试验结束后可叠加对比材料的试验数据重复性。
2、可以随时调取当前及历史试验数据进行查看,编辑及修改参数。
3、试验过程中可以随时修改试验条件及存储路径及自动存储试验结果。
4、试验过程中,可随时通过软件决定本次试验是否有效,方便筛选试验结果。
5、可设置操作口令,做到专机专人操作,避免无关人员误操作。
常规型号:
BDJC-10KV(1万伏)主要用于薄膜材料,丙烯薄膜聚乙烯薄膜.聚酯薄膜,流延聚丙烯薄膜
BDJC-30KV(3万伏)主要适用于橡胶,绝缘漆漆膜,聚氨酯,硫化橡胶等
BDJC-50KV(5万伏)主要用于电缆纸,电容器纸,云母,陶瓷
BDJC-100KV(10万伏)适用于玻璃,层压材料,橡胶,树脂
BDJC-150KV(15万伏) 适用于塑料、橡胶、层压材料、薄膜、树脂、云母、陶瓷、玻璃、绝缘漆等绝缘材料
注意事项:
1、仪器安装时应具有独立的接地线。
2、在开机前,操作者要首先熟悉操作方法。
3、仪器不能在有强烈腐蚀性气体及有颗粒杂质的气体环境中使用。
4、试验环境温度15度到25度之间,相对湿度60%到70%之间
5、试样击穿瞬间有火花产生并伴有声响,属正常现象。
6、每次更换试样或接触高压电极时必须用高压放电棒对高压电极进行放电,放电时间5秒以上。
7、每次进行试验前,必须检查仪器接地。
交直流试验的切换
1)本仪器高压输出为交流电压。直流的获得方式为在原回路中串入高压硅堆,使测试回路为脉动的直流电压。实现的过程为,硅堆已经在高压变压器的高压绝缘塔中,平时用一个短路杆把高压硅堆短接。需要直流试验时,取出短路杆,使高压硅堆接入测试电路中,这时回路的电压为脉动的直流电压。
2)前面板直流交流选择按钮。该按钮的状态不能改变设备输出的电压性质。按下该按钮,设备仅仅是把直流报警电路接入。指示用户,当打开箱门时,您需要对高压均压球放电。转动放电杆,使放电杆的端部铜球接触高压均压球。建议用户每次放电铜球接触高压均压球时间大于五秒。
3)试验的交直流电压切换,主要取决于高压绝缘塔中的短路杆是否取出。当取出短路杆时,高压均压球上的电压为直流电压,插入短路杆时,高压均压球上的电压为交流电压。短路杆的取出、插入参看左侧的示意图。
4)在直流试验时,计算机也要选择直流状态,否则测的结果是不正确的。简单的说,交流电压与直流电压有倍的关系。
技术要求:
01、输入电压: 交流220 V
02、输出电压: 交流0--50 KV
; ; ; ; ; ; ; ; ; ; ; ; ; ; ; ; ; ; ;直流0—50 KV ; ;
03、电器容量:3KVA
04、击穿最大输出电流:100mA ;30mA(可调换)
05、高压分级:0--5KV;0-10KV;0-30KV; 0-40KV; 0-50KV,0-50KV;
06、升压速率:10V/S 100V/S ;200V/S ;500V/S ;1000V/S 2500V/S 3000V/S ; ;
07、试验方式:
; ; ; ; ; ; ; ; ; ; ;直流试验:1、击穿试验2、梯度升压 ;3、耐压试验
; ; ; ; ; ; ; ; ; ; ;交流试验:1、击穿试验 ;2、梯度升压 ;3、耐压试验
08、击穿判停方式:1、电压判停2、电流判停
09、电压试验精度:≤ 1%
10、试验方式:1、绝缘试样空气中试验2、绝缘试样浸油中试验
11、黄铜电极规格: ¢25mm两个 ; ;¢75mm一个
12、主机尺寸:长宽高约700*800*1500(MM)
14、防护罩材质:有机玻璃
15、设备重量:约120KG
安全说明:
1、设备要安装单独的保护地线。接保护地线,主要是减少试样击穿时对周围产生的较强的电磁干扰。也可避免控制计算机失控。
2、直流试验放电报警功能:在设备做完直流试验时,当开启试验门时设备会自动报警,直至使用设备上的放电装置放电后报警会自动取消.(注:因为直流试验后不放电会危险到人身安全,不能直接拿取电极,起到提醒使用人员放电以免造成伤害)。
3、试验放电装置,随主机为一体化,改进了以往单独配备一根放电杆的功能。
4、该试验设备的电路设有多项保护措施,主要有:过流保护、失压保护、漏电保护、短路保护、直流试验放电报警等。
5、安全保护:
(1)门限位保护:不关门,即使通电点实验开始,设备无任何反应,软件有:安全门未关闭提示。
(2)电压归零保护:如果在实验过程中,突然断电,下次开机后,会自动回到零位,保证初始电压为在零位
(3)终止电压保护:可以通过软件设定终止电压,保证在升压过程中如果出现异常升到指定的电压后,自动终止并归零
(4)高压机械限位:如果软件系统失去控制,电压继续往上升,到高压限位后自动归零如果在击穿后未判停,通过过流保护器采集数据保证电压自动归零有高压指示灯,通过观察指示灯的状态来判断实在升压还是在零位如果长时间做实验,为保证设备的良好运行,设备留有变压器排气口,保证变压器的良好运行,增长使用寿命如果在实验中,试样有异味或者出现燃烧和冒烟现象,可以通过排风系统进行排除。
(5)独立接地保护
(6)短路保护
(7)软件误操作保护
(8)漏电保护
(9)实验结束放电保护
公司承诺:
1.购机前,我们专门派技术人员为您设计的流程和方案
2.购机后,将免费指派技术人员为您调试安装
3.整机保修一年,产品终身维护
4.常年供应设备的易损件及耗品确保仪器能长期使用
5、售后管理:我公司实现计算机化管理,实行客户定期电话回访制度,定期复查设备的工作情况,定期电话指导用户对设备进行保养和检测,以便设备正常运转,跟踪客户的设备使用情况,以便及时对设备进行维护
6、物流情况:及时提供货源,确保全国范围内2-10内到货,持续稳定地为代理商做全面服务工作,提供合理的运作空间。公司有专业的技术人员为您安装指导。
7、软件升级:终生免费提供新版本控制软件。
8、安装培训:仪器包装内附有说明书,专业培训人员为客户指定操作者讲解仪器正常操作流程、操作注意事项及仪器的日常维护要求;也可以根据客户要求提供上门培训服务。
业务咨询:932174181 媒体合作:2279387437 24小时服务热线:15136468001 亚游会官网 - 全面、科学的机械行业免费发布信息网站 Copyright 2017 PGJXO.COM 豫ICP备12019803号