北京北广精仪电气强度试验机 ; 结构原理及性能特点
北京北广生产的采用立式箱体结构,极大的节省试验室内占地空间,地脚采用滑轮结构,方便移动和摆放,避免同类厂家生产的卧式设备,安放时需要另配安装台的情况,占地空间大,移动不方便等缺点。本产品采用直流伺服电机加载减速机构,保证了最新标准里面关于极慢速试验和极快速试验的最新要求,保证用户可以自由选择升压速率。
北京北广精仪电气强度试验机 ; 安全说明:
1、设备要安装单独的保护地线。接保护地线,主要是减少试样击穿时对周围产生的较强的电磁干扰。也可避免控制计算机失控。
2、直流试验放电报警功能:在设备做完直流试验时,当开启试验门时设备会自动报警,直至使用设备上的放电装置放电后报警会自动取消.(注:因为直流试验后不放电会危险到人身安全,不能直接拿取电极,起到提醒使用人员放电以免造成伤害)。
3、试验放电装置,随主机为一体化,改进了以往单独配备一根放电杆的功能。
4、该试验设备的电路设有多项保护措施,主要有:过流保护、失压保护、漏电保护、短路保护、直流试验放电报警等。
5、安全保护:
(1)门限位保护:不关门,即使通电点实验开始,设备无任何反应,软件有:安全门未关闭提示。
(2)电压归零保护:如果在实验过程中,突然断电,下次开机后,会自动回到零位,保证初始电压为在零位
(3)终止电压保护:可以通过软件设定终止电压,保证在升压过程中如果出现异常升到指定的电压后,自动终止并归零
(4)高压机械限位:如果软件系统失去控制,电压继续往上升,到高压限位后自动归零如果在击穿后未判停,通过过流保护器采集数据保证电压自动归零有高压指示灯,通过观察指示灯的状态来判断实在升压还是在零位如果长时间做实验,为保证设备的良好运行,设备留有变压器排气口,保证变压器的良好运行,增长使用寿命如果在实验中,试样有异味或者出现燃烧和冒烟现象,可以通过排风系统进行排除。
(5)独立接地保护
(6)短路保护
(7)软件误操作保护
(8)漏电保护
(9)实验结束放电保护
主要技术指标
1、设备输入电压:220V (普通试验室电源均可兼容);
2、试验电压方式: 交流0--50KV;直流0--50 KV;
3、电器容量:5KVA;
4、试验方法:0-50KV全量程可调(采用高精度电压采样器件);
5、击穿及耐压试验升压速率:
0.1 KV/S
0.2 KV/S
0.5 KV/S
1.5 KV/S
2 KV/S
2.5 KV/S
3.0 KV/S(此项满足最新标准里面极快速升压试验要求);
6、试验方式:直流试验:1、匀速升压 ;2、阶梯升压 ;3、耐压试验
; ; ; ; ; ; ;交流试验:1、匀速升压 ;2、阶梯升压 ;3、耐压试验
注:根据不同行业的标准,我们可以根据用户的要求,依据贵行业标准,为您定制行业标准所需的特殊测试功能。
7、过电流保护装置应有足够灵敏度以保证试样击穿时在0.1S内切断电源。
8、漏电电流选择:1—100 mA可由计算机软件自由进行设定。
9、硬质橡胶耐电压击穿介电强度测试仪采用先进的无触点原件匀速调压方式(淘汰产品中机械传动升压方式)。
10、支持短时间内短路试验要求。
11、一次试验可以同时做5个试样。
12、电压测量误差:≤2%。
13、试验电压连续可调:0-100 KV
14、耐压时间设定:0-6小时(可通过软件连续设定)。
15、主机尺寸:1500mm*1200mm*1600mm(长宽高)。
16、主机重量:约200KG。
击穿电压也是评定绝缘油(包括变压器油、电容器油、电缆油等)电气性能的一项指标,可用来判断绝缘油含水和其他悬浮物污染的程度,以及对注入设备前油品干燥和过滤程度的检验。
对清净干燥的油施加一个逐渐升高的电压时,在电压的负极端会发射电子,当电子具有足够能量时,可使油分子微化离解,于是整个离解过程随电压升高而加强,当达到某一个电压后,会产生大量传导电流而形成电弧,这种现象被称为击穿,此时的电压被称为击穿电压。若油中有水或固体物存在时,则会使击穿电压变小,这是由于水和固体物的导电性均比油大之缘故。运行油中的击穿电压低是变压器工作危险的信号。
对于变压器油国内外标准,规定的击穿电压一般在40-5
0 kV,高的达60kV甚至更多。
电压击穿
定义
电压击穿是指当外加电压超过材料耐压极限时,绝缘介质(如栅极氧化层、PN结等)被强电场直接破坏,导致电流激增的现象 . 。
典型场景
栅极氧化层击穿:MOS管栅源电压过高时,绝缘层被击穿形成永久性短路。
雪崩击穿:反向电压过高导致PN结夹层电场崩溃,电子增殖引发连锁反应。
特点
即使电流极小也可能发生(如ESD事件)。
部分击穿可逆(如稳压二极管在限流条件下的电击穿)。
电气强度electric strength
在规定的试验条件下,击穿电压与施加电压的两电极之间距离的商。
注:除非另有规定,应按本部分5.4规定测定两试验电极之间的距离。
试验方法
1、绝缘试样空气中击穿或耐压试验
2、绝缘试样浸油中击穿或耐压试验
3、绝缘试样空气中阶梯击穿或耐压试验
4、绝缘试样浸油中阶梯击穿或耐压试验
注:根据用户要求,可定制其他试验方式
电气击穿electric breakdown
试样承受电应力作用时,其绝缘性能严重损失,由此引起的试验回路电流促使相应的回路断路器动作。
注:击穿通常是由试样和电极周围的气体或液体媒质中的局部放电引起,并使得较小电极(或等径两电极)边缘的试样遭到破坏。
注意事项:
本仪器为高压试验设备,使用时必须注意以下几点
1, 仪器安装时应具有独立的接地线。
2, 在开机前,操作者要首先熟悉操作方法。
3, 仪器不能在有强烈腐蚀性气体及有颗粒杂质的气体环境中使用。
4, 试验环境温度15度到25度之间,相对湿度60%到70%之间
5, 试样击穿瞬间有火花产生并伴有声响,属正常现象。
6, 每次更换试样或接触高压电极时必须用高压放电棒对高压电极进行放电,放电时间5秒以上。
7, 每次进行试验前,必须检查仪器接地。
整机组成:
1、升压部件:由调压器和高压变压器组成0~50KV的升压部分。
2、动部件:由步进电机均匀调节调压器使加给高压变压器的电压变化。
3、检测部件:由集成电路组成的测量电路。通过信号线把检测的模拟信号和开关信号传给计算机。
4、计算机软件:通过智能电路把由检测设备采集的测控信号传给计算机。计算机根据采集的信息控制设备运行并处理试验结果。
;
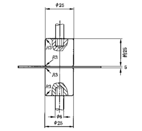
5、试验电极:根据国家标准(1408.1-2006)随设备提供三个电极,具体规格为:Ф25mm?25mm两个;Ф75mm?25mm一个。(订做除外)
闪络flashover
试样和电极周围的气体或液体媒质承受电应力作用时,其绝缘性能损失,由此引起的试验回路电流促使相应的回路断路器动作。
注:碳化通道的出现或穿透试样的击穿可用于区分试验是击穿还是闪络。
主要用途及功能:
耐电压击穿试验仪满足GB1408-2006 GB/T1695-2005 GB/T3333 GB12656及ASTM D149标准要求.主要适用于固体绝缘材料如:塑料、薄膜、树脂、云母、陶瓷、玻璃、绝缘漆等介质在
工频电压或直流电压下击穿强度和耐电压时间的测试。
⒈击穿电压(V):用连续均匀升压的办法对试样施加工频电压并保持试样发生击穿时的电压值,以kV表示。
⒉击穿强度(E):试样的击穿电压值与两个电极间试样的平均厚度之商,以kV/mm。
注意事项:
1、仪器安装时应具有独立的接地线。
2、在开机前,操作者要首先熟悉操作方法。
3、仪器不能在有强烈腐蚀性气体及有颗粒杂质的气体环境中使用。
4、试验环境温度15度到25度之间,相对湿度60%到70%之间
5、试样击穿瞬间有火花产生并伴有声响,属正常现象。
6、每次更换试样或接触高压电极时必须用高压放电棒对高压电极进行放电,放电时间5秒以上。
7、每次进行试验前,必须检查仪器接地。
一般的电器元件都是有电压限制的,不能超过它的耐压值,超过了这个电压就会击穿,元件就是损坏了。这个会使元件击穿的电压就叫做击穿电压。
击穿电压是使电介质击穿的电压。电介质在足够强的电场作用下将失去其介电性能成为导体,称为电介质击穿,所对应的电压称为击穿电压。电介质击穿时的电场强度叫击穿场强。不同电介质在相同温度下,其击穿场强不同。当电容器介质和两极板的距离d一定后,由U1-U2=Ed知,击穿场强决定了击穿电压。击穿场强通常又称为电介质的介电强度。提高电容器的耐压能力起关键作用的是电介质的介电强度。
试验方法
1、绝缘试样空气中击穿或耐压试验
2、绝缘试样浸油中击穿或耐压试验
3、绝缘试样空气中阶梯击穿或耐压试验
4、绝缘试样浸油中阶梯击穿或耐压试验
注:根据用户要求,可定制其他试验方式
使用时的注意事项:
本仪器为高压试验设备,使用时必须注意以下几点
1、试验过程中不能让无关人员靠近,因本试验仪器可产生较高的电压,未经过培训的人员不能使用该设备。试验时要有监护人员,不要单人使用。以防万一发生意外情况。
2、长时间不使用设备,在再使用时,先让仪器空载加压一次,即把高压电极的接线从均压球上取下。查看计算机试验界面,看看高压电压是否正常。
3、试验中发生意外情况要及时切断电源,问题处理后才能继续试验。
4、设备安放要平稳,安放的地面要坚固。最好是水泥地面以免产生共振。
5、该设备在使用中外壳要接保护地线,既设备外壳接大地,以保护操作人员和设备运行的安全。
6、使用完设备后,要关掉系统各部分电源,不准带电插拔电源线。
7、要按规定的电源电压接入设备。确保电路接线正确。否则会损坏设备。
8、该仪器需安置在室内,实验室应整洁、干燥、无腐蚀性介质,非相关人员不要随意操作。
9、不要让设备电缆碰到尖边,以免划破电缆绝缘;不要让电缆压在重物之下,以免压断电缆引起火灾;不要用电缆拉物体或用电缆捆绑物体,以免拉断电缆使设备不能正常运转。
10、不要让设备碰到水溅,腐蚀性气体,可燃气体和可燃物。如果不避免,可能火灾。
11、搬动设备时,要切断设备电源,既要把插头从插座中拔下。禁止搬动设备时放倒设备或倾斜45?角以上。
12、不要在设备运行时插拔设备的电源插头。
金属电极的维护与使用需遵循以下关键要点:
1.电极状态要求
金属电极应始终保持光滑、清洁且无缺陷,以确保测试结果的准确性。
对薄试样(如薄膜)进行试验时,电极维护尤为重要,建议优先采用不锈钢电极以减少击穿时的损伤。
2.导线与电场控制
连接电极的导线需避免导致电极倾斜或移动,同时防止试样压力变化。
导线不得显著干扰试样周围的电场分布,以确保测试环境的稳定性。
3.特殊试样的处理
对于极薄试样(如厚度<μm级),相关产品标准需明确规定电极类型、操作程序及试样制备方法。
4.电极维护通用原则
定期清洁金属电极表面污染物,避免使用研磨剂处理玻璃膜或聚合物膜。
参比电极需每日检查电解液液位,每月至少更换一次电解液,并确保隔膜清洁。
测量电极(如ISE电极)需每周彻底清洁,未涂层金属环应定期抛光以保持响应速度。
5.储存注意事项
电极需正确储存以延长寿命,避免干燥或机械损伤;pH电极长期不用时应浸泡于含3mol/L KCl的专用储存液中
公司承诺:
1.购机前,我们专门派技术人员为您设计的流程和方案
2.购机后,将免费指派技术人员为您调试安装
3.整机保修一年,产品终身维护
4.常年供应设备的易损件及耗品确保仪器能长期使用
5、售后管理:我公司实现计算机化管理,实行客户定期电话回访制度,定期复查设备的工作情况,定期电话指导用户对设备进行保养和检测,以便设备正常运转,跟踪客户的设备使用情况,以便及时对设备进行维护
6、物流情况:及时提供货源,确保全国范围内2-10内到货,持续稳定地为代理商做全面服务工作,提供合理的运作空间。公司有专业的技术人员为您安装指导。
7、软件升级:终生免费提供新版本控制软件。
8、安装培训:仪器包装内附有说明书,专业培训人员为客户指定操作者讲解仪器正常操作流程、操作注意事项及仪器的日常维护要求;也可以根据客户要求提供上门培训服务。
业务咨询:932174181 媒体合作:2279387437 24小时服务热线:15136468001 亚游会官网 - 全面、科学的机械行业免费发布信息网站 Copyright 2017 PGJXO.COM 豫ICP备12019803号