固体材料电压击穿试验机 ; 安全说明:
1、设备要安装单独的保护地线。接保护地线,主要是减少试样击穿时对周围产生的较强的电磁干扰。也可避免控制计算机失控。
2、直流试验放电报警功能:在设备做完直流试验时,当开启试验门时设备会自动报警,直至使用设备上的放电装置放电后报警会自动取消.(注:因为直流试验后不放电会危险到人身安全,不能直接拿取电极,起到提醒使用人员放电以免造成伤害)。
3、试验放电装置,随主机为一体化,改进了以往单独配备一根放电杆的功能。
4、该试验设备的电路设有多项保护措施,主要有:过流保护、失压保护、漏电保护、短路保护、直流试验放电报警等。
5、安全保护:
(1)门限位保护:不关门,即使通电点实验开始,设备无任何反应,软件有:安全门未关闭提示。
(2)电压归零保护:如果在实验过程中,突然断电,下次开机后,会自动回到零位,保证初始电压为在零位
(3)终止电压保护:可以通过软件设定终止电压,保证在升压过程中如果出现异常升到指定的电压后,自动终止并归零
(4)高压机械限位:如果软件系统失去控制,电压继续往上升,到高压限位后自动归零如果在击穿后未判停,通过过流保护器采集数据保证电压自动归零有高压指示灯,通过观察指示灯的状态来判断实在升压还是在零位如果长时间做实验,为保证设备的良好运行,设备留有变压器排气口,保证变压器的良好运行,增长使用寿命如果在实验中,试样有异味或者出现燃烧和冒烟现象,可以通过排风系统进行排除。
(5)独立接地保护
(6)短路保护
(7)软件误操作保护
(8)漏电保护
(9)实验结束放电保护
固体材料电压击穿试验机 ;产品特性:
高压设备电压采集对采集系统的要求比较高,我公司电压击穿试验仪控制部分采用 ; ; ;德国西门子PLC控制,具有很强的抗干扰能力,采用光电隔离数据线和电脑通讯,使得在击穿的瞬间保证设备和电脑的安全运行
德国西门子PLC采集速率为1MS,击穿响应判定时间为1MS,响应时间快。
电压采集采用日本松野的电压传感器,数据准确,安全可靠
电流采集采用日本松野的电流传感器,数据准确,安全可靠
本设备的判停方式有两种:电压判停、电流判停
升压速率不分档,可以由用户自由设定。
试验软件:
1、试验软件是我公司最新研发的功能强大、操作简单、显示直观的试验软件系统;
2、采用计算机控制通过人机对话方式,完成对绝缘介质工频电压击穿,工频耐压试验;
3、本仪器在试验过程中可对升压击穿过程绘制实时曲线,每次试验的升压曲线都由不同颜色构成,试验结束后可叠加对比材料的试验数据重复性;
4、可以随时调取当前及历史试验数据进行查看,编辑及修改参数;
5、试验过程中可以随时修改试验条件及存储路径及自动存储试验结果;
6、试验过程中,可随时通过软件决定本次试验是否有效,方便筛选试验结果;
7、可设置操作口令,做到专机专人操作,避免无关人员误操作;
8、试验报告格式灵活可变,适用于不同用户的不同需求;
9、可对一组试验中曲线数据的有效与否进行人为选定;
10、试验结果数据可导入EXECL,WORD文档编辑;
11、过电流保护装置有足够的灵敏度,能够保证试样击穿时在0.1S内切断电源;
12、仪器运行的持久性:仪器可连续运行使用,不需为保护仪器而定期停机;
软件使用说明:
1、试验单位:对材料进行试验检测的单位名称;
2、送试单位:送材料检测的单位名称;
3、试验方式:选择进行“交流试验”或“直流试验”;
4、试验方法:可进行“击穿”,“耐压”,“梯度耐压”试验;
5、试验人员:输入检测人员姓名;
6、试验温度:输入试验温度;
7、试验湿度:输入试验湿度;
8、设备型号:显示机器型号,此处不可变;
9、执行标准:选择所使用的标准;
10、试验介质:选择试验介质,或可以自己编辑写入;
11、电极形状:输入电极形状;
12、电极尺寸:输入电极尺寸;
13、使用量程:选择使用量程,分为10KV、20kV、30kv、50kv、100kv;
14、峰降电压:用于判断材料是否击穿,必须输入项;
15、初始电压:用于耐压和梯度耐压试验,在试验开始时将电压升到的位置;
16、升压速度:选择升压的速度,控制在试验过程中升压的快慢;
17、梯度电压:用于梯度耐压试验,设置每次升压的梯度值;
18、梯度时间:用于梯度耐压试验,设置在相应梯度的耐压时间;
19、终止电压:设置在试验过程中电压的上限值;
20、试样制备:设置试样的制备信息;
21、材料名称:设置试验材料的名称;
22、试验时间:选择试验时期,或写入试验日期和时间;
23、报告编号:设置报告编号信息;
24、试样编号:设置试样编号信息,试验样品的规格编码及编号;
25、试样形状:设置试样形状;
26、试样尺寸:输入试样的尺寸;
27、试样厚度:输入试样厚度,用于计算试验强度,必须输入;
28、应 ; ;用:确认此界面所做设置;
29、退 ; ;出:返回主界面,设置无效;
塑料的电击穿机理:介电击穿机理可分为电击穿、热击穿、化学击穿、放电击穿等,往往是多种机理综合发生。通常把不随温度变化的击穿称为电击穿,把随温度变化的击穿称为热击穿。热击穿的外部表现是介电强度随温度升高而迅速下降,与施加电压作用的长短有关;与电场中产生的热量大于它能散热的热量,使其内部温度不断升高。温度升高导致其电阻下降,流经试样电流增大,产生的热量更多,如此循环不已,致使介质转变为另一种聚焦态,失去耐电压能力,材料被破坏。电击穿的特点是介电强度与周围介质的电性能有关;击穿点常常出现在电极边缘其至电极以外。
整机组成:
1、升压部件:由调压器和高压变压器组成0~50KV的升压部分。
;
2、动部件:由步进电机均匀调节调压器使加给高压变压器的电压变化。
3、检测部件:由集成电路组成的测量电路。通过信号线把检测的模拟信号和开关信号传给计算机。
4、计算机软件:通过智能电路把由检测设备采集的测控信号传给计算机。计算机根据采集的信息控制设备运行并处理试验结果。
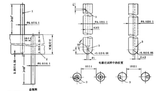
5、试验电极:根据国家标准(1408.1-2006)随设备提供三个电极,具体规格为:Ф25mm?25mm两个;Ф75mm?25mm一个。(订做除外)
标准配置:
01、主机一台
02、试验装置一套
03、控制系统一套
04、数据采集系统一套
05、试验用电极 ¢25mm两个,¢75mm一个
;
06、试验油箱一套
07、放电棒一支
08、试验用软件一套
09、品牌计算机一套
10、打印机一台
11、使用说明书一份
技术要求:
01、输入电压: 交流220 V
02、输出电压: 交流0--50KV ;
; ; ; ; ; ; ; ; ; ; ; ; ; ; ;直流0—50kv
03、电器容量:3KVA
04、高压分级:0—50KV,(全程可调)
05、升压速率:0.01KV/s-5kv/s可调
; ; ; ; ; ; ; ; ; ; ; ; ; ;(备注:满足标准要求并可以根据用户需求设定不同的升压速率)
06、试验方式:
; ; ; ; ; ; ; ; ; ; ;直流试验:1、匀速升压 ;2、梯度升压3、耐压试验
; ; ; ; ; ; ; ; ; ; ;交流试验:1、匀速升压2、梯度升压3、耐压试验
07、试验介质:空气,
08、安装灵敏度较高的过电流保护装置保证试样击穿时在0.05S内切断电源。
09、仪器配备先进的故障报警系统 避免用户操作故障仪器发生危险。(上位机报警和下位机报警、和零电压报警。)
10、支持软件共享不同电脑蓝牙异地操作要求。
11、电压试验精度:≦1% ;
12、试验电压连续可调:0--50KV。
13、电流可采集到mA级 并且实现实时采集。
14、可选择出具国家一级计量单位校准证书或出具客户指定计量单位的证书
15、电源:220v?10%的单相交流电压和50Hz?1%的频率
16、电流电压稳定度:外界电压波动10%(可选配我司配到电压保护器 额定波动电压30%)
17、升压装置:采用先进的无触点原件匀速升压淘汰前款机械调压
18、耐压时间:0-7H保持相对电压 (软件设定)
19、耐压式样:固体;液体。
20、带有方便拆装的油浴槽(可根据客户需要,也可不要油浴槽)
21、机箱材质:整体喷塑
22、支持人机分离异地操作 开创国内控制机器新篇章 ; ;(无线蓝牙控制 )
23、控制方式:无线蓝牙控制
24、通讯方式:采用全国最尖端技术无线蓝牙控制,支持232/USB/亚太区域网络端口
25、击穿判断方式:高电压判断、漏电流判断。
26、检测方式:自动巡航检测
27、使用条件:环境温度:(23?2)℃ ; ; ;环境湿度:(50?5)%
适用范围
; ; ; ; ;电击穿试验仪主要适用于固体绝缘材料(如:塑料、橡胶、层压材料、薄膜、树脂、云母、陶瓷、玻璃、绝缘漆等绝缘材料及绝缘件)在工频电压或直流电压下击穿强度和耐电压的测试。
; ; ; ;电击穿试验仪由电脑控制,是我公司自主研发的全新第三代介电击穿检测仪器,电子控制系统是通过西门子PLC控制,数据采集方式通过光电隔离,有效解决试验过程中的抗干扰问题,软件操作使用方便,能够实时显示动态曲线,同时升压速率无级可调,可以根据自己的需要进行升压速率调节,调节范围在10V-5000V/S,处于国内领先地位(国内唯一能达到此功能的厂家),使升压速率真正做到匀速、准确,并能够准确测出漏电电流的数据。可实时绘制试验曲线,显示试验数据,判断准确,并可保存,分析,打印试验数据。
; ; ; ;本系统能够自动判别试样击穿并采集击穿电压数据及泄露电流,同时能够在击穿的瞬间电压迅速降低自动归零。软件系统操作方便,性能稳定,安全可靠。
交直流实验的切换
1)本仪器高压输出为交流电压。直流的获得方式为在原回路中串入高压硅堆,使测试回路为脉动的直流电压。实现的过程为:硅堆已经在高压变压器的高压绝缘塔中,平时用一个短路杆把高压硅堆短接。需要直流试验时,取出短路杆,使高压硅堆接入测试电路中,这时回路的电压为脉动的直流电压。
2)前面板直流交流选择按钮。该按钮的状态不能改变设备输出的电压性质。按下该按钮,设备仅仅是把直流报警电路接入。指示用户,当打开箱门时,您需要对高压均压球放电。转动放电杆,使放电杆的端部铜球接触高压均压球。建议用户每次放电铜球接触高压均压球时间大于五秒。
3)试验的交直流电压切换,主要取决于高压绝缘塔中的短路杆是否取出。当取出短路杆时,高压均压球上的电压为直流电压,插入短路杆时,高压均压球上的电压为交流电压。短路杆的取出、插入参看左侧的示意图。
注意事项:
本仪器为高压试验设备,使用时必须注意以下几点
1、仪器安装时应具有独立的接地线。
2、在开机前,操作者要首先熟悉操作方法。
3、仪器不能在有强烈腐蚀性气体及有颗粒杂质的气体环境中使用。
4、试验环境温度15度到25度之间,相对湿度60%到70%之间
5、试样击穿瞬间有火花产生并伴有声响,属正常现象。
6、每次更换试样或接触高压电极时必须用高压放电棒对高压电极进行放电,放电时间5秒以上。
7、每次进行试验前,必须检查仪器接地。
软件功能:
1、试验过程中可动态绘制出试验曲线,试验的曲线可以多种颜色叠加对比,局部放大,曲线上任意一段可进行区域放大分析;
2、可对试验数据进行编辑修改,灵活适用;
3、试验条件及测试结果等数据可自动存储;
4、试验报告格式灵活可变,适用于不同用户的不同需求;
5、可对一组试验中曲线数据的有效与否进行人为选定;
6、试验结果数据可导入EXECL、WORD文档编辑;
7、软件设备人员管理功能,试验人员可设置自己的试验项目和试验参数,设置自己的试验内容后别人无法进入程序;
8、过电流保护装置有足够的灵敏度,能够保证试样击穿时在0.1s内切断电源;
9、仪器运行的持久性:仪器可连续运行使用,不需为保护仪器而定期停机。
整机组成:
升压部件:由调压器和高压变压器组成0~50KV的升压部分。动部件:由步进电机均匀调节调压器使加给高压变压器的电压变化。检测部件:由集成电路组成的测量电路。通过信号线把检测的模拟信号和开关信号传给计算机。计算机软件:通过智能电路把由检测设备采集的测控信号传给计算机。计算机根据采集的信息控制设备运行并处理试验结果。试验电极:根据国家标准(1408.1-2006)随设备提供三个电极,具体规格为:Ф25mm?25mm两个;Ф75mm?25mm一个。(订做除外)
售后服务
一、安装调试:协助试验机的安装,负责试验机的运输、调试。
二、验收标准:试验机按订货技术附件进行验收。终验收在买方进行,对用户提供的试样进行试验,并提供测试报告。
三、培训:安装调试同时,在仪器操作现场一次性免费培训操作人员2-3名,该操作人员应是由需方选派的长期稳定的员工,培训后能够对设备基本原理、软件使用、操作、维护事项理解和应用,使人员能够独立操作设备对样品进行检测、分析,同时能进行基本的维护。
四、软件升级:终生免费提供新版本控制软件。
业务咨询:932174181 媒体合作:2279387437 24小时服务热线:15136468001 亚游会官网 - 全面、科学的机械行业免费发布信息网站 Copyright 2017 PGJXO.COM 豫ICP备12019803号