【请登录】【免费注册】

首页亚游会官网技术产品供应二手培训展会物流维修求购招商招标招聘企业

产品

搜索
产品信息产品筛选产品类型大全供应信息求购信息二手设备生产销售企业
您的位置:亚游会官网 >产品信息 >产品详情

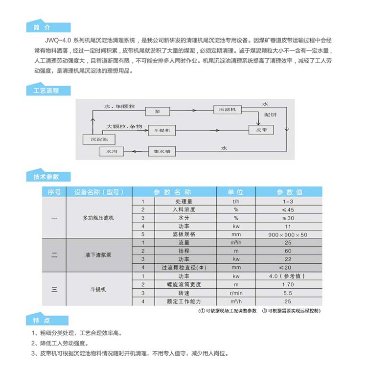
JWQ-4.0系列机尾沉淀池清理系统

JWQ-4.0系列机尾沉淀池清理系统

价格:面议浏览:282次联系:李经理 / 18305209055 / 企业:徐州天科机械制造有限公司留言店铺收藏

产品简介:
JWQ-4.0系列机尾沉淀池清理系统,是我公司新研发的清理机尾沉淀池*设备。因煤矿巷道皮带运输过程中会经常有物料洒落,
经过一定时间积累,皮带机尾就淤积了大量的煤泥,必须定期清理。鉴于煤泥颗粒大小不一含有一定水量,人工清理劳动强度大,
且巷道断面有限,不可能安排多人同时作业。机沉淀池清理系统提高了清理效率,减轻了工人劳动强度,是清理机尾沉淀池的理想用品。
产品特点:

1、粗细分类处理。

2、降低工人劳动强度。

3、皮带机可根据沉淀池物料情况开机清理,不用专人值守,减少用人岗位。

此会员其它产品

业务咨询:932174181   媒体合作:2279387437    24小时服务热线:15136468001 亚游会官网 - 全面、科学的机械行业免费发布信息网站 Copyright 2017 PGJXO.COM 豫ICP备12019803号