东莞市普诺克真空科技有限公司专注于实验室配套无油活塞真空泵研发、生产并提供完善的真空系统解决方案,先后服务与世界500强企业和中国知名高等院校和实验室,普诺克产品畅销全国各地,是目前中国应用在航天航空领域、制药、医疗、核工业的主导品牌。
活塞真空泵产品特点:
普诺克无油真空泵是我公司自行设计研制开发的高性能、高新科技无油真空泵,响应当今世界所倡导的节能环保型社会的要求,将科技成果转化成为高科技产品,具有高效节能、安全环保、运行平稳、低噪音、高可靠性、长寿命、低温升、体积小、重量轻、外形美观、结构简单、完全无油易维护等特点。
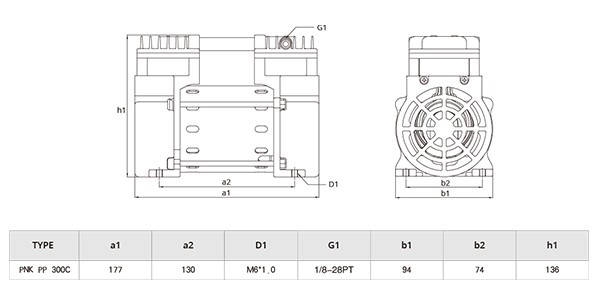
安装尺寸图

实验室配套无油活塞真空泵产品参数:
型号:PNK PP 300C
额定电压:220v/50HZ
输出功率:150W
额定空气流量:50m3/h(22L/min)
额定工作压力:300kpa(1kgf)
较大工作压力:200kpa(2kgf)
噪音:45dB(A)
使用环境温度:5-40
绝缘等级:B
冷态绝缘电阻:≥100
耐电压强度:1500V/50HZ(1min)
热保护器:自动复位130?5℃
重量:3.2
安装尺寸:L130*W75
外形尺寸:L177*W94*H136
重新启动压力:0
进排气嘴外径:Φ5
产品曲线图

无油活塞真空泵型号参数:
型号:PNK PP 200V;额定抽速:2 m3/h;极限真空:-850 mbar;额定功率:0.15 Kw;噪音等级:48 dB(A);重量:1.8 Kg;外形尺寸:L143*W85*H121mm
型号:PNK PP 550V;额定抽速:5.5 m3/h;极限真空:-920 mbar;额定功率:0.32 Kw;噪音等级:56 dB(A);重量:6 Kg;外形尺寸:L237*W97*H162mm
型号:PNK PP 1800V;额定抽速:10.5 m3/h;极限真空:-980 mbar;额定功率:0.55 Kw;噪音等级:60 dB(A);重量:9 Kg;外形尺寸:L244*W128*H205mm
型号:PNK PP 1200H;额定抽速:5.1 m3/h;极限真空:-980 mbar;额定功率:0.45 Kw;噪音等级:58 dB(A);重量:8.5 Kg;外形尺寸:L244*W128*H186mm
型号:PNK PP 2000H;额定抽速:10 m3/h;极限真空:-980 mbar;额定功率:0.55 Kw;噪音等级:60 dB(A);重量:9 Kg;外形尺寸:L244*W128*H205mm
型号:PNK PP 2000C;额定抽速:12 m3/h;极限真空:-980 mbar;额定功率:0.55 Kw;噪音等级:60 dB(A);重量:10 Kg;外形尺寸:L264*W128*H205mm
型号:PNK PP 300C;额定抽速:1.5 m3/h;极限真空:4000 mbar;额定功率:0.2 Kw;噪音等级:50 dB(A);重量:3.5 Kg;外形尺寸:L170*W124*H134mm
型号:PNK PP 200C;额定抽速:1.3 m3/h;极限真空:2000 mbar;额定功率:0.12 Kw;噪音等级:48 dB(A);重量:1.8 Kg;外形尺寸:L143*W85*H121mm
活塞真空泵安装与使用:
1、将真空泵尽可能地放在通风好、灰尘少、湿度小的位置;底座用橡胶减震脚或弹簧减震固定。
2、进气口接1/4-18NPT接头或者其它规格接头和进气过滤消声器等装置,接好管子;出气口接管或消音的器材。
3、使用的电源应有足够的容量,确认使用的电压符合产品要求。
4、按照接线要求接好电源与电容线。
5、检查真空泵各元件无异常后,将电源线插头插到符合要求的电源插座上(电源插座必须接地良好),机器开始工作。
6、调节调压阀使压力表指示所需压力并稳定。
7、真空泵不使用时,调节调压阀排空空气后,再切断电源。
8、严禁随意拉扯引出线,以免造成损坏或造成产品故障。
实验室配套无油活塞真空泵产品图片


业务咨询:932174181 媒体合作:2279387437 24小时服务热线:15136468001 亚游会官网 - 全面、科学的机械行业免费发布信息网站 Copyright 2017 PGJXO.COM 豫ICP备12019803号